
CPVC ANSI转换法兰PRODUCT CENTER

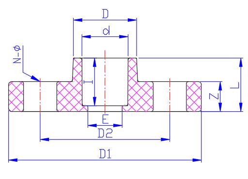
GB/ANSI | D | d | I | E | Z | L | d1 | d2 | N-Φ |
DN15-1/2" | 29.5 | 20 | 20 | 16 | 14 | 25 | 90 | 60.5 | 4-16 |
DN20-3/4" | 35 | 25 | 24 | 21 | 15 | 28.5 | 100 | 70 | 4-16 |
DN25-1" | 43 | 32 | 27 | 27 | 16 | 32 | 110 | 79.5 | 4-16 |
DN32-1 | 52.5 | 40 | 30 | 35 | 17 | 35 | 120 | 89 | 4-16 |
DN40-1 | 60 | 50 | 35 | 43 | 18 | 40 | 130 | 98.5 | 4-16 |
DN50-2" | 74 | 63 | 38 | 55 | 20 | 44 | 152 | 120.5 | 4-18 |
DN65-2 | 89 | 75 | 47 | 67 | 22 | 55 | 180 | 139.7 | 4-19 |
DN80-3" | 106 | 90 | 51 | 82 | 24 | 60 | 192 | 152.4 | 4-19 |
DN100-4" | 132 | 110 | 61 | 102 | 26 | 70 | 230 | 190.5 | 8-19 |
DN125-5" | 162 | 140 | 76 | 130 | 28 | 80 | 260 | 215.9 | 8-22 |
DN150-6" | 191 | 160 | 86 | 156 | 32 | 90 | 285 | 241.3 | 8-22 |
DN200-8" | 246 | 225 | 110 | 204 | 35 | 118 | 345 | 298.5 | 8-22 |
单位为毫米 | |||||||||