
UPVC 内螺纹接头PRODUCT CENTER

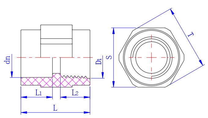
公称通径 DN | dn | D1 | S | T | L | L1 | L2 |
15 | 20 | RC1/2 | 30 | 33 | 35 | 16 | 15 |
20 | 25 | RC3/4 | 36 | 39.5 | 40.5 | 19 | 16.5 |
25 | 32 | RC1 | 46 | 51 | 47 | 22 | 19 |
32 | 40 | RC1-1/4 | 55 | 63.5 | 51 | 28 | 18 |
40 | 50 | RC1-1/2 | 65 | 75 | 56.5 | 32 | 19 |
50 | 63 | RC2 | 80.5 | 92.5 | 64 | 38 | 20 |
15 | 20 | NPT1/2 | 30 | 33 | 35 | 16 | 14 |
20 | 25 | NPT3/4 | 36 | 39.5 | 40.5 | 19 | 14 |
25 | 32 | NPT1 | 46 | 51 | 47 | 22 | 17 |
单位为毫米 | |||||||