上海佑利积水管业有限公司
SHANGHAI YOULI WATER-STORING PIPES CO. ,LTD
021-57394889
021-57394899
佑利首页
佑利产品
关于佑利
关于佑利
企业文化
代理合作
我们的优势
合作政策
销售网点
最新资讯
企业资讯
行业动态
常见问题
工程业绩
佑利实力
工厂巡礼
生产设备
研发测试
荣誉资质
客户服务
售前服务
售中服务
售后服务
联系我们
联系方式
电子地图
请选择一级分类
国标GB工业用管道系统
国际GB给水用管道系统
美标ANSI SCH80/40管道系统
膜管及组件系列
电子级水用(洁净型)UPVC管道系统
电力电缆、通讯光缆用保护套管系列
SJS双金属复合管
衬塑(ABS)复合钢管系统
GB/ANSI 阀门系列
板材焊条 其他配件
容器、槽罐、非标件定制
{{item.name}}
{{item.name}}
{{item.name}}
点击搜索
热门关键词:UPVC管材|UPVC管件|UPVC阀门|CPVC管材|CPVC管件|CPVC阀门|SCH80 UPVC管材|SCH80 UPVC管件|ANSI阀门|SCH40 UPVC管材|SCH80 CPVC管材|SCH80 CPVC管件
UPVC 仪表接头
PRODUCT
首页
>
UPVC 仪表接头
UPVC 仪表接头
PRODUCT CENTER
UPVC 仪表接头
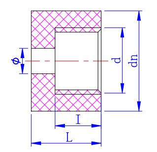
公称外径
dn
Φ
d
L
I
20
6
M14
✕
1.5
16
13
20
6
1/4"
16
13
25
8
M14
✕
1.5
20
13
25
8
1/4"
20
13
32
8
M20
✕
1.5
22
15
32
11.5
1/2"
22
18
单位为毫米
采购:UPVC 仪表接头
*表示必填
姓名:
手机:
邮件:
意见:
重填
提交
上一页
下一页
佑利
阿里巴巴
佑利产品
合作代理
最新咨询
工程业绩
技术服务
佑利实力
关于佑利
联系佑利
copyright@2021 上海佑利积水管业有限公司
销售热线:021-57394889,021-57394899,13611884555
地址:上海市金山区廊下镇漕廊公路7515号
关键词:UPVC管材|UPVC管件|UPVC阀门|CPVC管材|CPVC管件|CPVC阀门|SCH80 UPVC管材|SCH80 UPVC管件|ANSI阀门|SCH40 UPVC管材|SCH80 CPVC管材|SCH80 CPVC管件
沪ICP备15032784号-1